氣液聯動位置控制回路當要求定位精度較高時,可采用氣液聯動位置控制回路。圖1 所示為采用并聯式氣—液阻尼缸的位置控制回路。在阻尼缸伸出和退回過程中,兩個二位二通液壓電磁閥可使阻尼缸停下來,一旦停止運動,三位閥即處于中位,氣缸兩腔室壓力為大氣壓,操作更為方便。圖1 氣—液阻尼缸位置控制回路圖2 所示為采用氣液轉換器控制活塞桿中停位置的回路,單向節流閥控制氣缸退回速度。當二位二通電磁閥切斷回程油路時,可迅速使活塞桿停止在行程任意位置上。圖2 氣—液轉換器位置控制回路
三位閥位置控制回路如圖所示為采用三位閥的位置控制回路。圖a采用中間封閉型三位閥的回路,因空氣的可壓縮性,氣缸的定位精度較差。這種回路及閥內不允許有任何泄漏。圖b為采用中間加壓型三位閥的回路。當閥處于中間位置時,由于雙出桿氣缸,使活塞兩側保持了力平衡,活塞即停留在行程的任意位置。圖c為控制單桿氣缸的回路,需要安裝減壓閥來獲得活塞兩側力的平衡。中間加壓型三位閥位置控制回路適用于缸徑小而要求在行程中途很快停止的場合。圖d為采用中間卸壓型閥的回路。它適用于需外力自由推動活塞移動的場合,以及為了安全操作在停止位置時排出氣缸腔室內空氣的場合,其缺點是活塞運動的慣性較大,停止位置不易控制。圖 采用三位閥的位置控制回路其中:(a)中間封閉型(b)中間加壓型(雙出桿氣缸) (c)中間加壓型(單出桿氣缸)(d)中間卸壓型閥
氣液阻尼缸變速回路圖1 為采用行程閥的氣液阻尼缸變速回路。活塞桿向右快速運動時,當撞塊壓下機動行程閥后,液壓缸右腔的油只能從節流閥通過,實現慢速運動。行程閥的位置可根據需要進行調整。高位油箱起補充泄漏油液的作用。圖1 氣液阻尼缸變速回路圖2 氣液阻尼缸變速回路在機械加工中,常遇到快進刀、慢進給、快退刀的工作要求。利用氣動執行元件可以實現這一要求,采用帶有結構變速的氣液阻尼缸,如圖2-a所示,但這種方法變速位置不能改變,不予推薦。圖2 氣液阻尼缸變速回路圖2-b所示為機控閥變速回路,當氣缸伸出運動,活塞桿上的撞塊碰到機控閥后,機控閥換向,氣缸開始慢進。通過改變機控閥的安裝位置來改變開始變速的位置。這種變速回路原理可用于普通氣缸及其它類型氣缸的變速控制。特別是帶開關氣缸的普遍采用,這樣用磁性開關實現氣缸位置的行程發信,控制二位二通電磁閥的換向來改變氣缸運動的速度。同樣,速度控制閥有多種連接方式,因此變速回路也是多樣的。
氣液轉換速度控制回路圖1 所示為采用氣—液轉換器的速度控制回路。利用氣液轉換器1、2將氣壓變成液壓,利用液壓油驅動液壓缸,從而得到平穩的運動速度。兩個單向節流閥進行出口節流調速。在選用氣液轉換器時,要注意使其流量大于所對應的液壓缸的油腔容積,并保持一定的余量。圖1 氣液轉換速度控制回路圖2 所示為利用液壓阻尼缸實現速度控制的回路。阻尼缸與氣缸的連接可以是串聯,也可以是并聯。圖示為串聯形式。回路中,通過調節單向節流閥的開度,實現氣缸的無級調速。圖2 氣液阻尼缸的速度控制回路
緩沖回路圖1是采用單向節流閥和行程閥配合的緩沖回路。當活塞前進到預定位置壓下行程閥時,氣缸排氣腔的氣流只能從節流閥通過,使活塞速度減慢,達到緩沖目的。此種回路常用于慣性力較大的氣缸。圖1 緩沖回路圖2所示為兩種緩沖回路。圖a所示是用機控閥和流量控制閥配合使用的緩沖回路。當氣缸伸出運動時,有桿腔空氣經二位二通機控閥和二位五通閥排出。伸出運動到末端使機控閥換向,有桿腔空氣經節流閥排出,實現氣缸運動緩沖。改變機控閥的安裝位置,可改變開始緩沖的時刻。圖b所示的緩沖回路是利用順序閥實現的。當氣缸退回到行程末端時,無桿腔的壓力已經下降到不能打開順序閥,腔室內的剩余空氣只能經節流閥排出,由此氣缸運動得以緩沖。這種回路常用于氣缸行程長、速度快的場合。圖2 緩沖回路
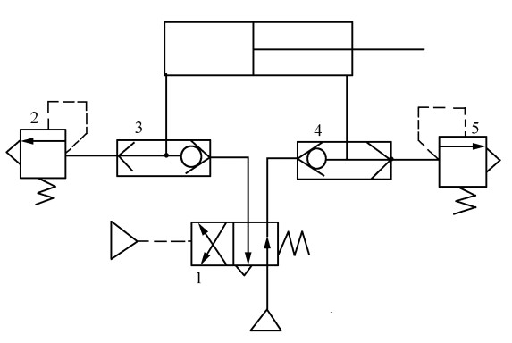
快速往返回路下圖為快速往返回路。在快速排氣閥3和4的后面裝有溢流閥2和5,當氣缸通過排氣閥排氣時,溢流閥就成為背壓閥了。這樣,使氣缸的排氣腔有了一定的背壓力,增加了運動的平穩性。圖 快速往返回路
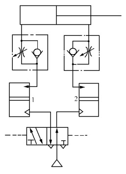
中間變速回路下圖為中間變速回路。采用行程開關(安裝在行程的中間位置)對兩個二位二通電磁換向閥進行控制。氣缸活塞的往復運動都是出口節流調速,當活塞桿在行程中碰到行程開關而使二位二通閥通電,則改變了排氣的途徑,從而使活塞改變了運動速度。兩個二位二通閥,分別控制往復行程中的速度變換。當電磁鐵通電、快速排氣;電磁鐵斷電、慢速進給。圖 中間變速回路
雙作用氣缸速度控制回路如圖所示為雙作用氣缸的速度控制回路,圖a所示采用單向節流閥實現排氣節流的速度控制,一般采用帶有旋轉接頭的單向節流閥直接擰在氣缸的氣口上,安裝使用方便。圖b所示在二位五通閥的排氣口上安裝了排氣消聲節流閥,調節節流閥開度實現氣缸背壓的排氣控制,完成氣缸往復速度的調節。圖c所示在二位四通閥的排氣口安裝排氣消聲節流閥的速度控制,此時氣缸伸出和退回的速度是相同的,不能分開調節。使用圖b和圖c所示的速度控制方法時應注意,換向閥的排氣口必須有安裝排氣消聲節流閥的螺紋口,否則不能選用。圖 雙作用氣缸的速度控制回路
單作用氣缸速度控制回路下圖1所示為單作用氣缸速度控制回路。圖a可以進行雙向速度調節,圖b采用快速排氣閥可實現快速返回,但是返回速度不能調節。圖1 單作用氣缸的其它速度控制回路下圖2所示為單作用氣缸的其它速度控制回路,圖a、b所示為對活塞桿的伸出進行速度控制,圖 c、d所示為對活塞桿的退回進行速度控制,圖f所示利用兩個單向節流閥控制氣缸伸出和退回的速度。圖e所示為用單向節流閥和快排閥實現氣缸慢進快退速度控制。圖2 單作用氣缸的其它速度控制回路
三位五通閥控制雙作用氣缸換向回路圖a為采用中位封閉式三位五通閥(O型)的換向回路,它適用于活塞在行程中途停止的情況。但因氣體的可壓縮性,活塞停止的位置精度較差,且回路及閥內不允許有泄漏。圖b為采用中位泄壓式三位五通閥(Y型)的換向回路。此回路在活塞停止時,可用外力自由推動活塞移動(如可加手動裝置)。其缺點為活塞慣性對停止位置的影響較大,不易控制。一般不能用于升降系統。圖c為采用中位加壓式三位五通閥(P型)控制雙活塞桿氣缸的換向回路。此回路適用于活塞面積小而要求活塞在行程中途很快停止的情況。其缺點為如果氣缸是單活塞桿,則由于“差壓”的作用,當系統一通氣源,而沒有控制信號時,氣缸會緩慢伸出。同樣,一般不能用于升降系統。
熱線電話
0510-83591123
上班時間
周一到周六
營銷QQ
800099935